Protection CC spécialement conçue pour les tableaux photovoltaïques.
Ces entretiens de surtension de type 2 protègent les chaînes PV, les barres de bus et les entrées d'onduleur des surtensions transitoires causées par des événements de foudre ou des opérations de commutation. Ils garantissent la liaison équipotentielle des barres PV positives et négatives et aident à maintenir la disponibilité du système à tous les niveaux de protection contre la foudre (LPL I - IV).
Connexion U ou Y - CHARGEZ AUX AUTRE DE VOTRE DES PROBLÈMES.
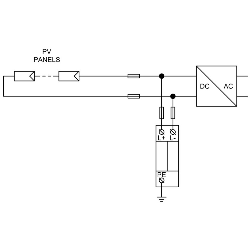
U Connexion: Topologie de protection conventionnelle pour les circuits CC PV.
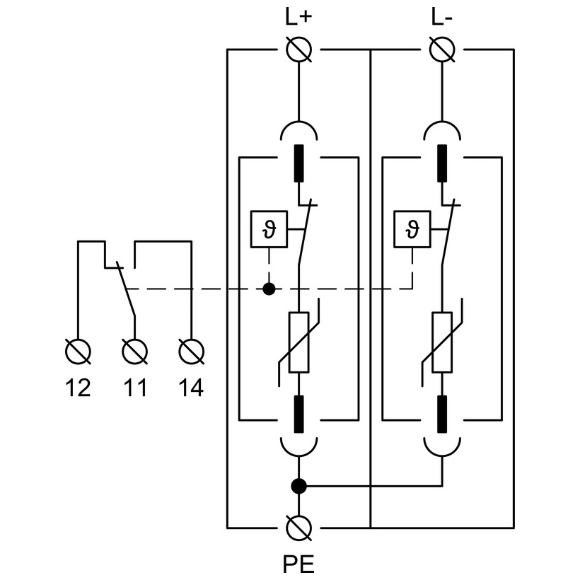
Y Connexion: Varistors disposés en PE afin que les conducteurs de travail restent résistants à la Terre et qu'il y a un courant résiduel (fuite) zéro à travers le conducteur PE, l'amélioration du comportement EMC et la minimisation des chemins de courant de nuisance.
Sécurité intégrée - pas de fusible de sauvegarde requis.
Des secteurs de varistors particuliers entre L +, L- et PE sont chacun équipés de déconnexateurs thermiques internes. Lorsqu'une varistor atteint la fin de vie (surchauffe), le déconnecteur se déclenche, indiquant visiblement un défaut et le courant CC interrompant. Grâce à leur construction spéciale, ces arrents peuvent être installés sans fusible de sauvegarde séparé (sous réserve de la coordination du système).
Déploiement flexible avec ou sans LPS externe.
Installez du côté CC des systèmes PV sans système de protection contre la foudre (LPS) ou avec un LPS lorsque la distance de séparation requise «S» est maintenue. Cela prend en charge une intégration sûre dans les nouvelles constructions et les rénovations.
Options de service et de surveillance.
M Indication: Version avec un module de protection amovible (plug-in) pour le remplacement rapide.
S Indication: Version avec contact de surveillance à distance pour la signalisation d'état aux relais SCADA / PLC / alarme.
Applications typiques
Crises PV, boîtes combiner / re-combiner et entrées de CC invertisseur
Installations PV à l'échelle des services publics, commerciales et industrielles et sur le toit
Sites avec ou sans LP externe où la distance de séparation «s» est observée
Caractéristiques clés en un coup d'œil
Tableau de surtension de type 2 pour les systèmes CC PV (connexion U ou Y)
Y Avantage de connexion: conducteurs de travail résistants à la Terre et fuite de PE nul
Déconnexateurs thermiques internes sur les chemins de varistor (L +, L-, PE)
Interruption de courant CC sur la faute; Aucun fusible de sauvegarde requis
Convient à tous les niveaux de LPL; prend en charge la liaison équipotentielle
M = module amovible; S = contact de surveillance à distance


Type 1 + 2 PV SPD | Connection Y | Pas de fusible de sauvegarde | LPL III - IV
Type 1 + 2 DC SPD MYH9 | 600 VDC | En 20 ka
Dispositif de protection contre les surtensions PV 1500V Type 2 PV | IEC / EN 61643-31: 2018
Dispositif de protection de surtension DC de type 2 avec contact à distance de changement à distance | Din-Rail, IP20