Maison > Produits > Et MCCB > AC400V MCCB > Circuit Breaker-MCCB 400-3 Pôles-36KA à 415VAC
Circuit Breaker-MCCB 400-3 Pôles-36KA à 415VAC
  • Circuit Breaker-MCCB 400-3 Pôles-36KA à 415VACCircuit Breaker-MCCB 400-3 Pôles-36KA à 415VAC

Circuit Breaker-MCCB 400-3 Pôles-36KA à 415VAC

Le MCCB 400 est un disjoncteur de boîtier moulé à 3 pôles avec un cadre 400A et une unité de déclenchement thermique (TMD) 250A, conçue pour une protection électrique fiable dans les applications de base. Il offre une capacité de rupture de 36KA à 415VAC 50/60 Hz et dispose d'une protection de surcharge thermique réglable (175A - 250A) et d'une protection par court-circuit magnétique fixe (3000A). Compact, certifié à la CEI 60947-1 / 2, et compatible avec les accessoires en option, il offre des performances solides avec un bon rapport prix / qualité.

envoyer une demande

Description du produit

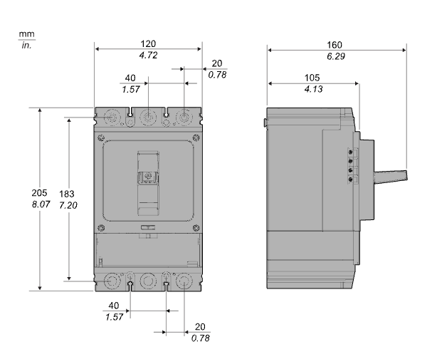
Il s'agit d'un disjoncteur complet de 3 pôles composé d'un cadre de disjoncteur 400A et d'une unité de déclenchement magnétique thermique (TMD). MCCB a un bon rapport prix-performance pour les applications de base et offre une protection électrique fiable pour vos applications. La capacité de rupture (USI) est de 36kA RMS à 415VAC 50 / 60Hz. La tension opérationnelle est de 415VAC 50/60 Hz. Ce produit incorpore une unité de déclenchement thermique (TMD) (IN) (IN). Cette unité de déclenchement TMD fournit un IR de protection thermique réglable (contre les surcharges) avec une plage de réglage de 0,7xine à 1xine (175a-250a). Et il fournit une protection magnétique fixe (contre court-circuit) réglée sur 12xin (3000a). MCCB est livré avec une variété d'accessoires en option simple à choisir et à installer. Les dimensions du produit sont de 120 mm (largeur) x 205 mm (hauteur) x 105 mm (profondeur). Le poids est de 3,5 kg.

Balises actives: Disjoncteur de circuit de boîtier moulé | | | 3 pôles MCCB | Cadre 400A | 250A RATEUR | Unité de déclenchement magnétique thermique | Unité de déclenchement TMD | Capacité de rupture 36KI Disjoncteur | Distribution de puissance
Catégorie associée
envoyer une demande
N'hésitez pas à faire votre demande dans le formulaire ci-dessous. Nous vous répondrons dans les 24 heures.
X
We use cookies to offer you a better browsing experience, analyze site traffic and personalize content. By using this site, you agree to our use of cookies. Privacy Policy
Reject Accept